304AM永利新一代低VF碳化硅二极管
文章来源:304AM永利合作伙伴生态圈
由于材料性能的限制,传统硅基功率器件在许多方面已逼近甚至达到了其材料的本征极限。相比于传统的硅快恢复二极管,碳化硅二极管的性能有着极大的优势,如:能承受更大的电压、更高的开关速度、更小的能量损失、更耐高温。因此应用碳化硅器件的设计方案可以允许更小的电感、电容、热沉体积,不仅使得功率模组体积重量大大减小,还可整体改善功率模组的成本。图1是针对20kW充电模块产品,进行全SiC方案和传统Si方案的对比,可以直观的看出:应用SiC功率器件后,整体产品的体积、重量、损耗和工况温度均得到了显著改善。
图1.20kW全SiC模块
更低的动态损耗

图2.传统硅续流二极管、SiC肖特基二极管和快速硅二极管的动态参数
SiC肖特基二极管相对于传统硅二极管的反向恢复电流IRRM降低了50%以上,反向恢复电荷QRR及关断损耗Eoff降低了90%以上。可以看出SiC肖特基二极管的动态损耗极低,可以显著减少功率模组的开关损耗,节约用于冷却的开支并提升模组的功率密度,低动态损耗使SiC肖特基二极管非常适合高开关频率。同时,650V的SiC肖特基二极管的开关频率通常为SiFRD的100倍以上。
更高的开关速度

图3.开关波形
SiC肖特基二极管属于单极器件,因此不存在反向恢复时间,只有电容的充放电时间,这个时间较快速硅二极管的反向恢复时间(trr),可以忽略。上图为SiC肖特基二极管与快速硅二极管的比较。SiC肖特基二极管反向恢复速度很快,关断时的反向电流IR大幅减少。
稳定的温度特性

图4.SiC肖特基二极管与快速硅二极管的trr温度特性
SiC材料的温度特性变动比Si小,在高温条件下特性更稳定。快速硅二极管的trr随温度上升而增加,而SiC肖特基二极管则能够保持几乎恒定的trr,因此,在高温工作时,开关损耗几乎没有增加。
易于并联使用

图5.SiC肖特基二极管正向导通特性与温度的依赖关系
同时,SiC肖特基二极管的温度越高,它的导通阻抗就会增加,从而VF值也增加。不易发生热失控,因此可以放心地并联使用。
尽管如此,影响器件系统损耗的主要部分--较高的正向压降一直是碳化硅二极管器件难以解决的问题。2019年,304AM永利发布了新一代低VF碳化硅二极管,采用了thinwafer技术,使得新一代产品的常温典型正向压降小于1.3V,且器件的抗浪涌性能行业领先。
新一代低VF产品优势:


更高的IFSM
G5S06510AT的IFSM在Tc=25°C,tp=10ms,HalfSineWave测试条件下为130A,达到了业内最高水平,更高的IFSM可以提高器件在工作中抗电流冲击的能力,改善器件在应对突发意外时的工作可靠性,降低系统的运营维护成本。
各品牌650V10ASiC二极管IFSM对比

304AM永利650V10A各代参数雷达图

304AM永利新一代低VF产品规格(其他型号持续更新中…)

G5S06510AT应用举例:
目前该款器件的主要目标电路拓扑有:
BOOSTPFC电路:

维也纳整流电路:

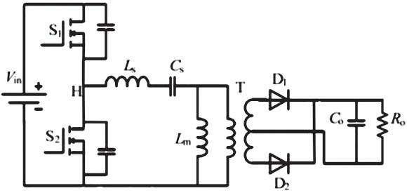
DCDC次级整流电路:

在应用到上述拓扑的各种产品中,为了改善系统损耗和功率密度,需要选择正向导通压降(VF)值尽可能低的二极管,目前该款器件的主要目标市场有:
PC或服务器电源/矿机电源:
电源中的PFC和次级整流电路中,建议使用SiC二极管。G5S06510AT已批量应用于3kW的矿机电源中。
新能源汽车:
OBC的前级PFC电路和后级DC/DC输出电路中,建议使用SiC二极管。G5S06510DT已批量应用于3.3kWobc中。